欢迎访问湖南百通技贸有限公司!  
  网上留言 人才招聘 加入收藏  
 
中德技术合作 缔造完美品质
  • 精益求精,追求完美品质!
  • 超越极限,挑战自我!
 
   客户案例
 
 
您现在所在位置:首页 > 客户案例 > 上海石化气动汽车密闭装车鹤管 > 详细页面  
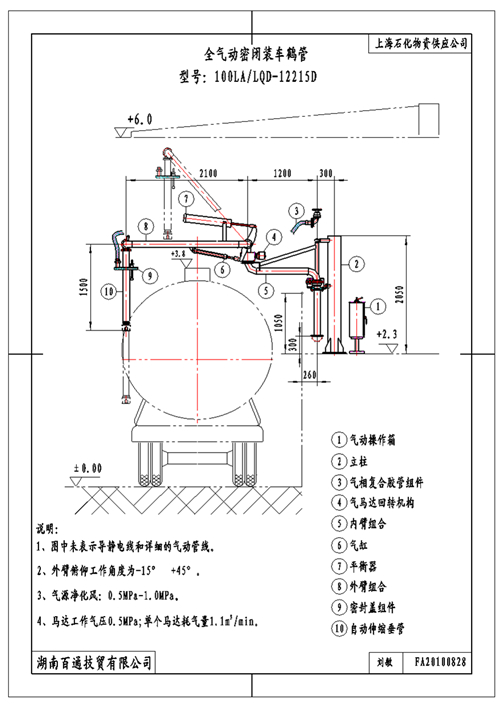
  上海石化气动汽车密闭装车鹤管
  [浏览次数: ]
 

 

 

 

 

                     上海石化气动汽车密闭装车鹤管(2010年)

        鹤管的水平旋转采用气动马达驱动,垂直管的升降采用气缸驱动,气动控制箱安放在装车台

上。在装车台上操作就可以实现鹤管的对位,密闭盖压紧,鹤管回位的运动。

 
 
法律声明 | 人才招聘 | 服务承诺 | 文档下载 | 网上留言 | 联系我们  
地址:株洲市天元区普兰特路18号 电话:0731-28820648 13807339579 传真:0731-28836177
网站建设:三赢 站长统计