欢迎访问湖南百通技贸有限公司!  
  网上留言 人才招聘 加入收藏  
 
中德技术合作 缔造完美品质
  • 精益求精,追求完美品质!
  • 超越极限,挑战自我!
 
   客户案例
 
 
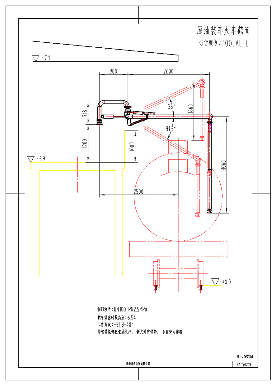
您现在所在位置:首页 > 客户案例 > 中石油石空泵站火车槽车原油装车鹤管 > 详细页面  
  中石油石空泵站火车槽车原油装车鹤管
  [浏览次数: ]
 

                                       

 
 
法律声明 | 人才招聘 | 服务承诺 | 文档下载 | 网上留言 | 联系我们  
地址:株洲市天元区普兰特路18号 电话:0731-28820648 13807339579 传真:0731-28836177
网站建设:三赢 站长统计